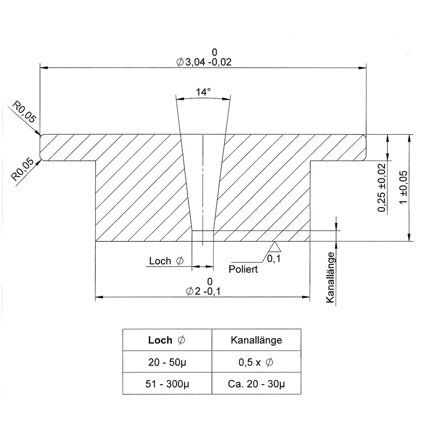
Platin Hutblenden 3,04 mm Ø x 2,0 mm Dicke
Produktinformationen "Platin Hutblenden 3,04 mm Ø x 2,0 mm Dicke"
Die Praxis hat gezeigt, dass im Beleuchtungssystem eines EM erzeugte Röntgenstrahlen durch die Randbereiche konventioneller Kondensor-Blenden dringen und ein Übermaß an Untergrundstrahlung verursachen, sodass kleine Mengen der für die Probe charakteristischen Röntgenstrahlen nicht messbar sind. Diese besonders dicken Platin-Blenden in Hutform tragen zur Verminderung der Röntgen-Störstrahlung bei.


